
Grundfos 3.0 Bar Home Booster With Integral 180 Litre Break Tank 240V
BEST ONLINE PRICES
FREEPHONE 0800 112 3134 if you've seen it cheaper.
* Available where Guaranteed Stock Icon Appears Below
The Grundfos Home Booster is a self-contained cold water booster set, designed for domestic properties where the existing mains water supply is insufficient to meet the demand requirements of pressurised hot and cold water systems.
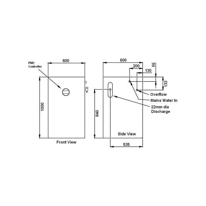
The unit features an integral 200 litre storage tank with Type AB air gap, in accordance with Water Byelaws regulations. The high quality stainless steel pump delivers high efficiency, sustained performance, long working life and quiet operation. The pump is controlled by the PM2 Pressure Manager controller, the latest controller from Grundfos.
Installation is straight forward requiring connection of mains cold water supply, discharge pipe, overflow pipe and electrical connections.
Applications
The Home Booster is suitable for most domestic properties with one or two standard bathrooms with standard fittings, or en-suite, and cloakroom, plus other normal household appliances.
For properties with 4 to 5 occupants, or where the storage tank refills very slowly due to poor mains water pressure, an additional 180 litre water storage slave tank option is available to increase the storage capacity is recommended.
Features and Benefits
- Integrated 200 litre storage tank (180 litres usuable volume)
- PM2 Pressure Manager on/off
- Nominal performance 3 bar or 4.5 bar at 0.5 l/s (depending on model)
- Packaged set ready for installation
- WRAS Approved Components
- Compact and cost-effective solution
- High quality stainless steel pump
| SKU | MD300200 |
|---|---|
| Manufacturer | Grundfos |
| Manufacturers Warranty | 2 Years |
| GTIN | 5710625340843 |
| Weight | 65.0 Kg |
| Dimensions | 1000mm (h) x 600mm (w) x 600mm (d) |
| Motor Size (kW/W) | 588W |
| Full Load Current (FLC) | 2.8A |
| Voltage | 240V 1Ph 50Hz |
| Max Flow | 1.2 l/sec |
| Max Head | 3.6 Bar |
| Material | Stainless Steel |
Delivery
We offer free standard delivery to any UK address on a 3-5 working day delivery time on all orders over the value of £45 + vat. This is not weight restricted
Next day delivery is charged at £12.50 + vat for items under 35kgs. Orders need to be placed before 5pm Mon-Thurs or 4:30 on Friday for guaranteed Next Day Delivery.
Next day delivery is not available for UK Highlands and Islands. Please click the following link to view postcodes/areas that don't qualify for next day delivery.
Due to some product specifications, there may be a lead time of up to 4 weeks. This is only on a small number of products and you will be contacted upon purchase and entitled to a full refund if required.
For Items over 35kgs, please review our delivery charges here
For full delivery terms please click here
International Delivery
If you want your order delivered to a remote area please contact our one of our Sales Representatives on 0800 112 3134 before placing your order and we will assist you further.
Returns
Please note specific items may incur a restocking charge as they are made to order, the cost of which, it determined by the manufacturer not ourselves. Items that are made to order or cut to specific length e.g. Hose cut to specific length may not be entitled to a refund.
Please contact customer services for clarification.
Unused, unaltered items may be returned at the buyers expense for credit upon Anchor Pumps prior written consent and upon the terms specified by Anchor Pumps. The buyer assumes all risk of loss of such returned goods until actual receipt and acceptance by Anchor Pumps. Please click here to view Returns information.


















