
Grundfos MAGNA1 D 32-60 (180) Twin Head Circulator 240V [CC: 0131]
BEST ONLINE PRICES
FREEPHONE 0800 112 3134 if you've seen it cheaper.
* Available where Guaranteed Stock Icon Appears Below
This is a Clearance Corner item - Please see details below
CC Overall Rating: A (245/300)
CC Stock Number: 0131
Product Code: 99221239
Manufacturer: Grundfos
Model: Magna1 D 32-60 (180)
Comments: Brand new, worn OEM box. Twin-head cast iron pump.
CC Signed In: 27/08/25
If you have any questions regarding this pump, please contact us on 01925 761 120 or email at lholmes@anchorpumps.com
----------------------------------------------------------------
Grundfos MAGNA1 D 32-60 (180) 'A' Rated/EuP Ready Variable Speed Twin Head Circulator 240V - 99221239
The new MAGNA1 is the simple option for a job well done. It is the perfect choice when replacing older circulators and due to its compliance with the EuP 2015 regulations, substantial savings on electricity is a reality. The ideal choice for basic performance needs in applications where basic system control and monitoring is desired.
- Monitoring via the fault relay, ensuring peace of mind
- Digital start/stop input available for remote pump control
- Continuous operation and reduced downtime with the wireless twin pump function (available on twin-head pumps)
- High energy efficiency resulting in substantial savings on electricity
- Easy setup and operation via the simple user interface
- No maintenance due to the canned-rotor type design.
MAGNA1 is the simple and efficient choice for most applications including
- Heating
- Main pump
- Mixing loops
- Heating surfaces
- Cooling
- Air conditioning surfaces
- Ground source heat pump systems
- Smaller chiller applications
| SKU | 99221239CC1 |
|---|---|
| Manufacturer | Grundfos |
| Clearance Corner Product Number | 0131 |
| Clearance Corner Signed In | Aug 27, 2025 |
| Clearance Corner Overall Rating | A - Excellent (250-300) |
| Item Condition | New |
| Box/Bag Condition | Worn |
| Original Box Contents Included | Documentation & Parts |
| Weight | 13.0 Kg |
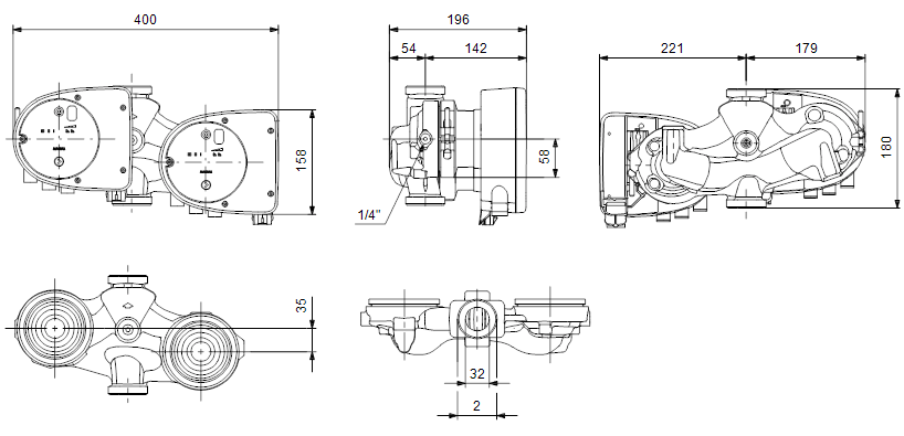
| Dimensions | 180mm (h) x 400mm (w) x 196mm (d) |
| Connection Type | 2 Inch BSP |
| Motor Size (kW/W) | 9-111W |
| Full Load Current (FLC) | 0.09-0.9A |
| Voltage | 240V 1Ph 50Hz |
| Max Flow | 13m3/h |
| Max Head | 6m |
| Material | Cast Iron |
| Old Sku | 97924368 |
| Manufactured In | Germany |
Delivery
We offer free standard delivery to any UK address on a 3-5 working day delivery time on all orders over the value of £45 + vat. This is not weight restricted
Next day delivery is charged at £12.50 + vat for items under 35kgs. Orders need to be placed before 5pm Mon-Thurs or 4:30 on Friday for guaranteed Next Day Delivery.
Next day delivery is not available for UK Highlands and Islands. Please click the following link to view postcodes/areas that don't qualify for next day delivery.
Due to some product specifications, there may be a lead time of up to 4 weeks. This is only on a small number of products and you will be contacted upon purchase and entitled to a full refund if required.
For Items over 35kgs, please review our delivery charges here
For full delivery terms please click here
International Delivery
If you want your order delivered to a remote area please contact our one of our Sales Representatives on 0800 112 3134 before placing your order and we will assist you further.
Returns
Please note specific items may incur a restocking charge as they are made to order, the cost of which, it determined by the manufacturer not ourselves. Items that are made to order or cut to specific length e.g. Hose cut to specific length may not be entitled to a refund.
Please contact customer services for clarification.
Unused, unaltered items may be returned at the buyers expense for credit upon Anchor Pumps prior written consent and upon the terms specified by Anchor Pumps. The buyer assumes all risk of loss of such returned goods until actual receipt and acceptance by Anchor Pumps. Please click here to view Returns information.





















![Grundfos Unilift CC 7-M-1 Submersible Pump 240V [CC: 0107]](https://www.anchorpumps.com/media/catalog/product/cache/6cd1ceda4d246818969b44b87cff2d84/x/r/xrtyhs5y4esy_1_2.jpg)
![Grundfos UPS/D 80-120/2 Pump Head 415v [CC: 0119]](https://www.anchorpumps.com/media/catalog/product/cache/6cd1ceda4d246818969b44b87cff2d84/h/e/headonlydamn_1_1.jpg)
![Grundfos SPK2-19/3 T-W-I-AQQV Immersible Pump 415v [CC: 0054]](https://www.anchorpumps.com/media/catalog/product/cache/6cd1ceda4d246818969b44b87cff2d84/t/r/trsy54yas4y.jpg)

